首页
Home
关于我们
About us
产品展示
Products
技术参数
Parameters
联系我们
Contact us
English
.
logo
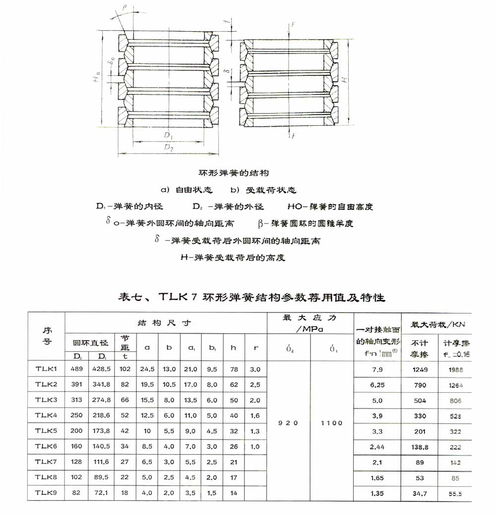
TLK7环形弹簧
江苏泰力弹簧科技有限公司
返回上一页